Thiết bị rửa mắt và tắm khẩn cấp Runwangda WJH0358A-1 chất liệu Inox 304 chống rỉ sét
Thông tin sản phẩm:
- Nhà sản xuất: Runwangda
- Mã sản phẩm: WJH0358A-1
- Vật liệu chính: Inox 304
- Trọng lượng: 14kg
- Loại: Rửa mặt kết hợp vòi sen tắm
- Tiêu chuẩn: ANSI Z358.1, CCC, CE, ROHS, ISO9001
- Van: sử dụng loại van bi, mở nước siêu nhanh trong vòng 1 giây
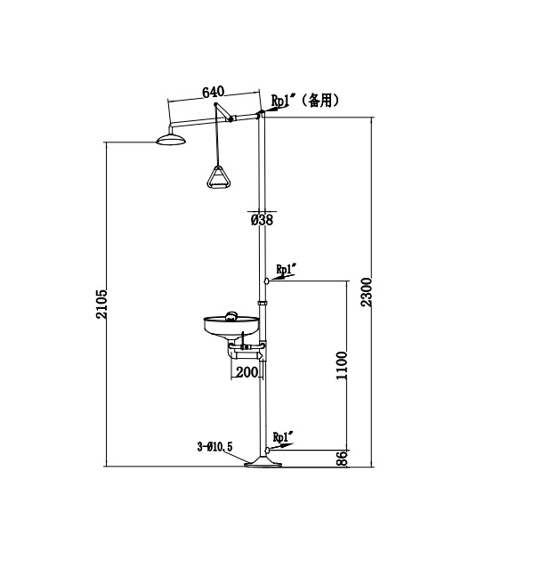
- Sen tắm: Đường kính D250mm
- Đường kính thân chính: D38mm
- Áp suất nước làm việc tối đa:1.0Mpa
- Áp suất nước làm việc:0.2~0.4Mpa
- Áp suất nước thử kín:1.5Mpa
- Nhiệt độ làm việc:0℃~40℃
- Lưu lượng nước sen tắm:≥76 L/min
- Lưu lượng nước rửa mặt/mắt:≥11.4 L/min
- Lưu lượng nước rửa mắt:≥1.5 L/min
- Chậu rửa mắt:đường kính D300mm
- Đầu chờ ống cấp nước:1″ (DN25)- ren trong
- Đầu chờ ống thoát nước:1″ (DN25) – ren trong
- Chiều cao đầu chờ cấp nước: 1186mm
- Chiều cao đầu chờ thoát nước: 86mm
- Khoảng cách 2 đầu phun rửa mắt: 170mm
Cấu tạo và tính năng:
- Thiết bị rửa mắt và tắm khẩn cấp Runwangda WJH0358A-1 được làm từ chất liệu chính là Inox 304 chống rỉ sét được đánh bóng hoặc sơn phủ Epoxy giúp kháng hóa chất
- Thiết bị rửa mắt và tắm khẩn cấp WJH0358A-1 được lắp đặt bằng các khớp nối, giúp lắp đặt siêu dễ dàng và nhanh chóng
- Bồn rửa mắt có thể vận hành bằng tay đẩy hoặc chân đạp nhanh chóng và dễ dàng
- Van: sử dụng loại van bi, mở nước siêu nhanh trong vòng 1 giây
- Chậu rửa mắt:đường kính D300mm, thiết kế thành chậu cao giúp hạn chế tràn nước
- Thiết bị rửa mắt khẩn cấp Runwangda WJH0358A-1 có Vòi rửa mắt với lỗ phun được thiết kế tạo nước mềm, không tổn hại mắt, có 2 van chỉnh áp lực và chiều cao nước phun riêng biệt ở 2 đầu vòi, giúp hoạt động tối ưu ở mọi áp suất nước
- Nắp che bụi tự động mở khi mở nước rửa mắt, thiết kế bản lề liền khối vớ thân
- Thiết bị tắm khẩn cấp Runwangda WJH0358A-1 được khởi động bằng tay kéo dễ dàng
GỌI NGAY HOTLINE:
0905.287.332 (Mr.Thịnh)
ĐỂ ĐƯỢC TƯ VẤN VÀ CUNG CẤP TRANG THIẾT BỊ BẢO HỘ LAO ĐỘNG GIÁ TỐT NHẤT







Xem thêm